

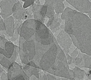
・一次粒子の厚みが0.1μm以下の鱗片状粒子
(物性:粉体平均径5μm、水スラリー平均径0.2~1.5μm)
・耐水性、耐熱性に優れています
・鱗片間隙への機能性粒子担持が容易
・LFS(水スラリー)は自己造膜性を持ち密着性、強固な膜を形成します
・化粧品:光学特性付与
・塗料:表面硬度付与、防汚性、耐候性、耐熱性
・樹脂:表面改質(硬度付与)、ガスバリアー性付与、耐熱性、難燃性
・金属:酸化防止膜形成(防食)
・研磨材:研磨効果
| サンラブリー | 粉体製品 SiO2一次粒子の三次凝集した白色粉体:一般般工業用途 |
|---|---|
| サンラブリーC | 粉体製品 SiO2一次粒子の三次凝集した白色粉体:化粧品用途 |
| サンラブリーLFS | スラリー製品 SiO2一次粒子が二次凝集した鱗片状シリカを水中で分散したスラリータイプ:一般工業用途 |

TEL :06-6443-3391